PP-RCT tee 90° long st SDR11 green
Availability: from stock
|
||||||||||||||||||||
|
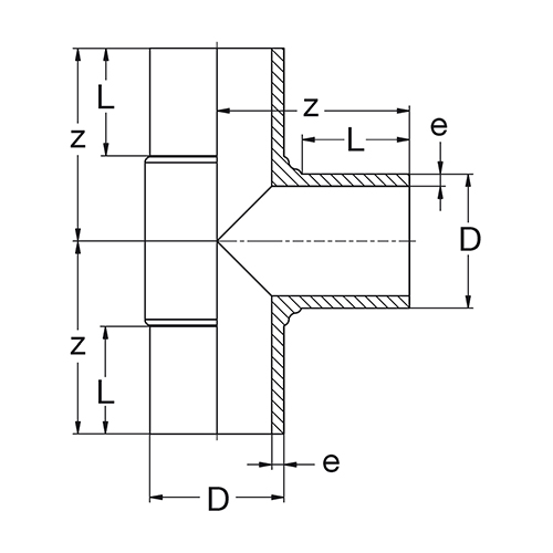
Injection molded parts, for butt welding and heating coil welding (long version only); without weakening factors. material PP-RCT (Polypropylene Random-Copolymer Temperature resistant) with modified crystal structure (beta nucleated) and increased temperature resistance, Borealis RA7050GN, color RAL 6024 traffic green. The material meets the requirements of the current KTW guidelines of the Federal Environment Agency (UBA). Geometric properties Outside diameter and wall thickness in accordance with DIN EN ISO 15874. Tolerances in the Z dimension specifications depend on the dimension. Up to d / D 160 = +/- 3 mm. From d / D 180 = +/- 10 mm. operating pressure The operating pressure depends on the SDR class and the pipe used. execution Suitable for heating element butt welding and heating coil socket welding in accordance with DVS guideline 2207. Welding equipment and welding tools should comply with DVS guideline 2208. Certification B-R molded parts are subject to regular internal and external quality controls. The molded parts meet the requirements of DIN Certco guidelines ZP 10.25.1 and NSF14 + 61 |
|
|||||||||||||||||||
Information:
Information:
Information:
Information:
Information:
Information:
Information:
Information:
|
||||||||||||||||||||||||||||||||||||||||||||||||||||||||||||||||||||||||||||||||||||||||||||||||||||||||||||||||||||||||||
Efficiency and durability flow together with PP-RCT |
![]() |
PP-RCT (Polypropylene Random Copolymer Temperature Resistant) and PP-R (Polypropylene Random Copolymer) are two generations of polypropylene materials used in pipe systems. Here are some characteristics and applications of each: PP-RCT: - Structure: PP-RCT allows for the production of pipes and fittings with higher hydraulic capacity and increased pressure resistance. This means that pipes can be made thinner while maintaining the same outer diameter, resulting in higher flow performance. The outer diameter can also be reduced by one dimension while keeping the same inner diameter. - Pressure Resistance: PP-RCT has significantly higher pressure resistance compared to PP-R. For example, at an application temperature of 70°C, it can handle up to 60% higher pressure. - Properties: PP-RCT exhibits high chemical resistance, corrosion resistance, and excellent processability. - Material: PP-RCT is a polypropylene random copolymer with a modified crystalline structure (beta nucleated) and increased temperature resistance. It is available in the color RAL 6024 Traffic Green. - Connection Methods: PP-RCT pipe systems can be connected using heat fusion methods such as socket fusion, butt fusion, or electrofusion, as well as flange connections. PP-R: - Material: PP-R is a polypropylene random copolymer with a high molecular weight and high heat stabilization. It belongs to the group of polyolefin thermoplastics and is available in green color. - Standards and Approvals: PP-R pipes and fittings meet the requirements of DIN EN ISO 15874 for plastic piping systems for hot and cold water installations. They are registered by DVGW (German Technical and Scientific Association for Gas and Water) and comply with the KTW recommendation of the Federal Health Office (BGA) in Germany. - Operating Pressure: PP-R pipe systems have different operating pressures depending on the application. For cold water at 20°C, the pressure can go up to 20 bar, for hot water at 70°C, it is up to 10 bar, and for heating systems at 70°C, it is up to 3 bar. - Applications: PP-R pipes and fittings are suitable for various applications, including drinking water, hot water, and heating systems, rainwater harvesting systems, apparatus and plant construction, underfloor heating, greenhouses, swimming pools, shipbuilding, thermal baths, water treatment, compressed air lines, and more. They are known for their corrosion resistance and long service life. - Accessories: In addition to PP-R pipes and fittings, accessories such as flanges, tools, and welding machines for PP-R processing are available. It’s important to note that the information provided is based on the details from Bänninger, Reiskirchen, and it’s always recommended to consult the specific manufacturer’s guidelines and specifications for accurate and up-to-date information about their products. |
Optimize your shopping experience with our detailed delivery information |
Partnership at the highest level. |
|
|
|
|
|
|
|