PP-RCT reducer green

Availability: from stock
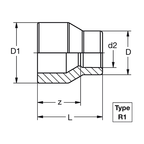
Molded molded parts, for heating element-socket welding, without weakening factors.

material
PP-RCT (polypropylene random copolymer temperature resistant) with modified crystal structure (beta nucleated) and increased temperature resistance, Borealis RA7050GN, color RAL 6024 traffic green. The material meets the requirements of the current KTW guidelines of the Federal Environment Agency (UBA).

Geometric properties
Diameter and wall thickness of the sleeves in accordance with DIN EN ISO 15874. Tolerances in the Z dimension specifications depend on the dimension. Up to d / D 160 = +/- 3 mm. From d / D 180 = +/- 10 mm.

operating pressure
The operating pressure usually depends on the pipe used. Basically, all standard fittings are suitable for the pipes offered.

execution
Suitable for heating element-socket welding according to DVS guideline 2207. Welding devices and welding tools should correspond to DVS guideline 2208.

Certification
B-R molded parts are subject to regular internal and external quality controls. The molded parts meet the requirements of DIN Certco guidelines ZP 10.25.1 and NSF14 + 61.
 
 
 
all prices plus VAT plus shipping costs
D1 - d2 Type  R1 Type R2 D2 L z Weight PU Item no Add to cart
                  Price Quantity
25-20 X 29 36 22 0,012 1 7321070611 2,33 €
32-20 X 29 37 23 0,015 1 7321080611 3,17 €
32-25 X 34 39 23 0,017 1 7321080711 3,17 €
40-20 X 34 43 28 0,023 1 7321090611 4,20 €
40-25 X 34 43 27 0,023 1 7321090711 4,20 €
40-32 X 43 45 27 0,029 1 7321090811 4,20 €
50-20 X 43 5 36 0,043 1 7321100611 5,43 €
50-25 X 43 51 35 0,043 1 7321100711 5,43 €
50-32 X 43 51 33 0,045 1 7321100811 5,43 €
50-40 X 52 53 33 0,055 1 7321100911 5,43 €
63-20 X 34 56 42 0,079 1 7321110611 7,81 €
63-25 X 34 56 40 0,076 1 7321110711 7,81 €
63-32 X 43 58 40 0,076 1 7321110811 7,81 €
63-40 X 52 60 40 0,084 1 7321110911 7,81 €
63-50 X 65 63 40 0,091 1 7321111011 7,81 €
75-50 X 65 67 44 0,120 1 7321121011 10,83 €
75-63 X 80 71 44 0,150 1 7321121111 10,83 €
90-50 X 65 74 51 0,150 1 7321131011 13,91 €
90-63 X 80 78 51 0,170 1 7321131111 13,91 €
90-75 X 99 81 51 0,230 1 7321131211 13,91 €
110-63 X 85 87 60 0,320 1 7321141111 21,48 €
110-75 X 100 90 60 0,370 1 7321141211 21,48 €
110-90 X 120 93 61 0,450 1 7321141311 21,48 €

 all prices plus VAT plus shipping costs
 
 
Information:
Information:
Information:
Information:
Information:
Information:
Information:
Information:
Information:
Information:
Information:
Information:
Information:
Information:
Information:
Information:
Information:
Information:
Information:
Information:
Information:
Information:
Information:




Efficiency and durability flow together with PP-RCT



 
PP-RCT (Polypropylene Random Copolymer Temperature Resistant) and PP-R (Polypropylene Random Copolymer) are two generations of polypropylene materials used in pipe systems. Here are some characteristics and applications of each:

PP-RCT:
- Structure: PP-RCT allows for the production of pipes and fittings with higher hydraulic capacity and increased pressure resistance. This means that pipes can be made thinner while maintaining the same outer diameter, resulting in higher flow performance. The outer diameter can also be reduced by one dimension while keeping the same inner diameter.
- Pressure Resistance: PP-RCT has significantly higher pressure resistance compared to PP-R. For example, at an application temperature of 70°C, it can handle up to 60% higher pressure.
- Properties: PP-RCT exhibits high chemical resistance, corrosion resistance, and excellent processability.
- Material: PP-RCT is a polypropylene random copolymer with a modified crystalline structure (beta nucleated) and increased temperature resistance. It is available in the color RAL 6024 Traffic Green.
- Connection Methods: PP-RCT pipe systems can be connected using heat fusion methods such as socket fusion, butt fusion, or electrofusion, as well as flange connections.

PP-R:
- Material: PP-R is a polypropylene random copolymer with a high molecular weight and high heat stabilization. It belongs to the group of polyolefin thermoplastics and is available in green color.
- Standards and Approvals: PP-R pipes and fittings meet the requirements of DIN EN ISO 15874 for plastic piping systems for hot and cold water installations. They are registered by DVGW (German Technical and Scientific Association for Gas and Water) and comply with the KTW recommendation of the Federal Health Office (BGA) in Germany.
- Operating Pressure: PP-R pipe systems have different operating pressures depending on the application. For cold water at 20°C, the pressure can go up to 20 bar, for hot water at 70°C, it is up to 10 bar, and for heating systems at 70°C, it is up to 3 bar.
- Applications: PP-R pipes and fittings are suitable for various applications, including drinking water, hot water, and heating systems, rainwater harvesting systems, apparatus and plant construction, underfloor heating, greenhouses, swimming pools, shipbuilding, thermal baths, water treatment, compressed air lines, and more. They are known for their corrosion resistance and long service life.
- Accessories: In addition to PP-R pipes and fittings, accessories such as flanges, tools, and welding machines for PP-R processing are available.

It’s important to note that the information provided is based on the details from Bänninger, Reiskirchen, and it’s always recommended to consult the specific manufacturer’s guidelines and specifications for accurate and up-to-date information about their products.


Optimize your shopping experience with our detailed delivery information


Plastic pipe systems


Overview of plastic pipe systems
Technical information on ABS pipe systems
Technical information on PVC  U pipe systems
Technical information on PVC  U transparent pipe systems
Technical information on PVC  C pipe systems
Technical information on PP pipe systems
Technical information on PP-R pipe systems
Technical information on PE pipe systems
Technical information on PVDF pipe systems

Chemiedur - pipe


Technical information on UP-GF (FRP) pipe systems
UP-GF (FRP) pipes
UP-GF (FRP) molded parts and connection
UP-GF-PP (FRP) molded parts and connection
UP-GF (FRP) adhesive collars
UP-GF (FRP) loose flanges
Pot Strainer DN 200 - DN 500 Inliner PP/FRP Coated
Pot Strainer DN 200 - DN 500 Inliner FRP/CBL Coated
Angle Seat Strainer DN 200 - DN 400 Inliner FRP/CBL Coated
Manhole mad of FRP and PP/FRP

Plastic pipes


Calculator for cutting pipes
Guidelines for sawing plastic pipe
Leftovers in plastic pipe
Standardization of plastic pipes and molded parts
PVC U pipes deviations
Pressure loss in pipe systems out of PVC U, PVC C and ABS pipe systems
Distinction between Rp, R and G threads
Screw lengths for flange connections

Plastic fittings


PVC U transparent ball valves
Diaphragm valves
Block valves
Butterfly valves
Plastic needle valves

 

Plastic Valves according to ATEX


New EU guideline 2014/34/EU
Plastic Valves in EX zones
Y-Strainers PP-EL DN 15 - DN 50
Check valves PP-EL DN 15 - DN 50
Angle seat valves PP-EL DN 15 - DN 50

Bonding of plastic pipes


Bonding manual
Video showing the bonding of pipes

Plastic welding


Guidelines for extrusion welding


Grids / support grids


GFK grids
Grids out of PP -el electrically conductive
Profile support grids out of PP -el electrically conductive


Molded ventilation parts


Ventilation technology


Chemical hose


PVC transparent hose with fabric inlay


Industrial tanks and chemical containers


Dosing tanks and outer containers 35 – 1000 Liter
Salt dissolving tanks 60 -5000 Liter
Storage tanks and vats
Storage tanks for water
Safety and collecting troughs
Industrial tank delivery program
Dosing tanks with agitator
Dosing tank agitators
Dosing tanks with attachments
Dosing tanks made of sheet material
Customized chemical containers
Dosing tanks with level indicators



 

IBC TANKS/CONTAINERS


IBC screw caps DN 150/DN 200
IBC adapters out of PE
IBC adapters out of PP
MULTI FLEX BLOCK for IBC BULK CONTAINER


Attachment parts for tank construction


Vapor separators
CO2 - absorbes
Case study CO2-absorber
Manholes
Revision nozzles
Block flange

Filter housings and filter cartridges


PENTEK 3G Slime Line filter housings
PENTEK 3G Standard filter housings
PENTEK Big Blue filter housings
PENTEK PP high temperature filter housings
PENTEK PP all nature filter housings
PENTEK filter bags for Big Blue filter housings
PENTEK surface filter cartridges
PENTEK filter cartridges for depth filtration
PENTEK filter cartridges with activated carbon
CINTROPUR filter systems
CINTROPUR water filters

Flange configurator


Blind flanges, loose flanges,  rectangular flanges

Chemical resistance


Table of chemical resistance for plastic pipe systems
 

Machined plastic parts


Inserts
Screw-in parts
Threaded fittings
Screw fittings

Milled plastic parts


Loose flanges and blind flanges made of sheet material

Static mixers


Static mixers made of plastic

Strainers


Single-type and double-type strainers
Pot strainer DN 300
Angle seat strainer DN 500


Flow meters


Variable area flow meters
Configuration tool for flow meters

Filter presses


Laboratory filter presses

Injection molded parts


Scraper made of PE for filter press

Kwerk Practice Blog


The Kwerk team blogs from the field here



Partnership at the highest level.



 
         
 
 
 
 
       
 
         
 
DATA SHEET
DOWNLOADS
CAD FILES
no data
ONLINE TOOLS
REQUEST A QUOTE
STARTING A PROJECT REQUEST